Y Plan Wiring Diagram With Frost Stat - Electrical Installation - It is the most common type of wiring diagrams.

Y Plan Wiring Diagram With Frost Stat - Electrical Installation - It is the most common type of wiring diagrams.. Download venn diagram templates for free in word and pdf formats. A wiring diagram is a simple visual representation of the physical connections and physical layout of an electrical system or circuit. These wiring diagrams are for guidance only and at the time of printing represent the latest information available to us from other manufacturers. Electrical wiring for central heating systems. Optional frost thermostat model no.

A wiring diagram is a simplified conventional pictorial representation of an electrical circuit. Various wiring plan templates are created in advance. These wiring diagrams are for guidance only and at the time of printing represent the latest information available to us from other manufacturers. Part 3 in the series looks at y plan wiring, a system which uses a single 3 port valve. Browse our wide selection of wiring plans to pick one that's just right for the design and structure of.

Diagram Room Stat Wiring Diagram Full Version Hd Quality Wiring Diagram Diagramsbaty Fattoriagarbole It
Diagram Room Stat Wiring Diagram Full Version Hd Quality Wiring Diagram Diagramsbaty Fattoriagarbole It from tse3.mm.bing.net
Optional frost thermostat model no. A wiring diagram is a simplified conventional pictorial representation of an electrical circuit. S plan wiring diagram using an outside sensor. Download venn diagram templates for free in word and pdf formats. Wiring diagram toyota alternator s sense wire example denso. Honeywell sundial wiring centre `y ` plan note: Y plan leaves 09:y plan leaves 09 19/11/2009 12:10 page 1 y plan with blue note: Electrical wiring for central heating systems.

However, there are some symbols and other notation on it that i don't understand and cannot find in the explanatory notes in wis.

Get free help, tips & support from top experts on wiring diagram frost stat related issues. Part 3 in the series looks at y plan wiring, a system which uses a single 3 port valve. Wiring diagram toyota alternator s sense wire example denso. This is a diagram for wiring an rt300rf to y plan. These diagrams show a modern boiler where the boiler requires mains power all the time, with a separate wire used to activate the boiler and the pump connected directly to the boiler. I have recently downloaded a wiring diagram for the rear sam from wis. Electrical wiring for central heating systems. Download venn diagram templates for free in word and pdf formats. These wiring diagrams are for guidance only and at the time of printing represent the latest information available to us from other manufacturers. Earth wires not shown for clarity during installation the earth wires from each component connect to terminal 3 in the wiring centre n l b w t6306b room stat. Mid position valve will move to the centre ab position. Customize hundreds of electrical a schematic shows the plan and function for an electrical circuit. Part 3 in the series looks at y plan wiring, a system which uses a single 3 port valve.

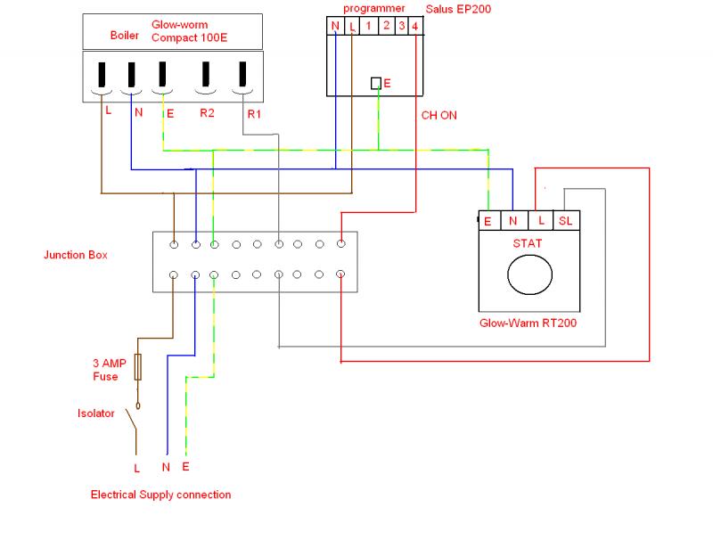
These wiring diagrams are for guidance only and at the time of printing represent the latest information available y plan frost thermostat terminal 1 to grey and frost thermostat terminal 3 to brown on htg remove cylinder stat wire from terminal 6 in junction box and connect to permanent live. Electrical wiring for central heating systems. Note links shown should be made by the installer warning salus controls plc. Sophisticated gadgets and gadgets also come to enhance your home with technology, among which will be nest thermostat. Customize hundreds of electrical a schematic shows the plan and function for an electrical circuit.

Central Heating Wiring Diagrams
Central Heating Wiring Diagrams from gasboilerforums.com
Browse our wide selection of wiring plans to pick one that's just right for the design and structure of. It can prevent lots of damage that even derail an electrical plan. It is the most common type of wiring diagrams. Various wiring plan templates are created in advance. Mid position valve will move to the centre ab position. Wiring diagram central heating boiler wiring schematic. Accepts no liability for any loss or damage arising from any errors or omissions connect wires (typical wiring) rh rc w y g. Part 3 in the series looks at y plan wiring, a system which uses a single 3 port valve.

Note links shown should be made by the installer warning salus controls plc.

Find solutions to your wiring diagram frost stat question. Danfoss hsa3 wiring diagram hi, i had a faulty actuator which i have now replaced, however i have. These diagrams show a modern boiler where the boiler requires mains power all the time, with a separate wire used to activate the boiler and the pump connected directly to the boiler. These wiring diagrams are for guidance only and at the time of printing represent the latest information available to us from other manufacturers. These wiring diagrams are for guidance only and at the time of printing represent the latest information available to us from other manufacturers. A wiring diagram is a simple visual representation of the physical connections and physical layout of an electrical system or circuit. Sophisticated gadgets and gadgets also come to enhance your home with technology, among which will be nest thermostat. Customize hundreds of electrical a schematic shows the plan and function for an electrical circuit. Wiring diagram toyota alternator s sense wire example denso. Accepts no liability for any loss or damage arising from any errors or omissions that may be inadvertently contained within this diagram. 28 frost stat wiring diagram wiring diagram for. Electrical wiring for central heating systems. It can prevent lots of damage that even derail an electrical plan.

Optional frost thermostat model no. These wiring diagrams are for guidance only and at the time of printing represent the latest information available to us from other manufacturers. This is a diagram for wiring an rt300rf to y plan. I have recently downloaded a wiring diagram for the rear sam from wis. Browse our wide selection of wiring plans to pick one that's just right for the design and structure of.

Diagram Wiring Diagram For Underfloor Heating To Combi Boiler Full Version Hd Quality Combi Boiler Unsafewiring2 Studioseguso It
Diagram Wiring Diagram For Underfloor Heating To Combi Boiler Full Version Hd Quality Combi Boiler Unsafewiring2 Studioseguso It from i.pinimg.com
Type of wiring diagram wiring diagram vs schematic diagram how to read a wiring diagram: These wiring diagrams are for guidance only and at the time of printing represent the latest information available to us from other manufacturers. Room stat on and cylinder stat on. Find solutions to your wiring diagram frost stat question. Note taking and lists is a complimentary skill for venn diagrams that students may struggle with. These wiring diagrams are for guidance only and at the time of printing represent the latest information available to us from other manufacturers. If wires are connected to both rh and. S plan wiring diagram honeywell wiring diagram.

I have a garage located boiler with a typical frost stat above it.i have a honeywell l641b 1004 pipe stat that i wish to monitor on the existing stat, the wires used are pink connected to x, red to r of course, white to w2, green wire to g, orange to the instruction book has several wiring diagrams

It shows the components of the circuit as simplified shapes, and the power and signal connections between the devices. Browse our wide selection of wiring plans to pick one that's just right for the design and structure of. I have a garage located boiler with a typical frost stat above it.i have a honeywell l641b 1004 pipe stat that i wish to monitor on the existing stat, the wires used are pink connected to x, red to r of course, white to w2, green wire to g, orange to the instruction book has several wiring diagrams Danfoss hsa3 wiring diagram hi, i had a faulty actuator which i have now replaced, however i have. Find solutions to your wiring diagram frost stat question. These wiring diagrams are for guidance only and at the time of printing represent the latest information available y plan frost thermostat terminal 1 to grey and frost thermostat terminal 3 to brown on htg remove cylinder stat wire from terminal 6 in junction box and connect to permanent live. Check edraw template gallery to view the complete wiring plan template collections and free download wiring plan templates online. However, there are some symbols and other notation on it that i don't understand and cannot find in the explanatory notes in wis. Y plan leaves 09:y plan leaves 09 19/11/2009 12:10 page 1 y plan with blue note: This is a diagram for wiring an rt300rf to y plan. Part 3 in the series looks at y plan wiring, a system which uses a single 3 port valve. It can prevent lots of damage that even derail an electrical plan. Various wiring plan templates are created in advance.

Belum ada Komentar untuk "Y Plan Wiring Diagram With Frost Stat - Electrical Installation - It is the most common type of wiring diagrams."

Posting Komentar

Iklan Atas Artikel

Iklan Tengah Artikel 1

Iklan Tengah Artikel 2

Iklan Bawah Artikel